11

2020

-

09

五分钟带你全面了解史上最全电气控制原理图,没有之一!

作者:


电气控制系统一般称为电气设备二次控制回路,不同的设备有不同的控制回路,而且高压电气设备与低压电气设备的控制方式也不相同。今天,就和大家一起学习一下电气控制系统的基本知识。

 

电气控制系统的功能和组成

主要功能

为了保证一次设备运行的可靠与安全,需要有许多辅助电气设备为之服务,能够实现某项控制功能的若干个电器组件的组合,称为控制回路或二次回路。这些设备要有以下功能:

(1)自动控制功能。高压和大电流开关设备的体积是很大的,一般都采用操作系统来控制分、合闸,特别是当设备出了故障时,需要开关自动切断电路,要有一套自动控制的电气操作设备,对供电设备进行自动控制。

(2)保护功能。电气设备与线路在运行过程中会发生故障,电流(或电压)会超过设备与线路允许工作的范围与限度,这就需要一套检测这些故障信号并对设备和线路进行自动调整(断开、切换等)的保护设备。

(3)监视功能。电是眼睛看不见的,一台设备是否带电或断电,从外表看无法分辨,这就需要设置各种视听信号,如灯光和音响等,对一次设备进行电气监视。

(4)测量功能。灯光和音响信号只能定性地表明设备的工作状态(有电或断电),如果想定量地知道电气设备的工作情况,还需要有各种仪表测量设备,测量线路的各种参数,如电压、电流、频率和功率的大小等。

在设备操作与监视当中,传统的操作组件、控制电器、仪表和信号等设备大多可被电脑控制系统及电子组件所取代,但在小型设备和就地局部控制的电路中仍有一定的应用范围。这也都是电路实现微机自动化控制的基础。

 

系统组成

常用的控制线路的基本回路由以下几部分组成。

(1)电源供电回路。供电回路的供电电源有AC380V和220V等多种。

(2)保护回路。保护(辅助)回路的工作电源有单相220、36V或直流220、24V等多种,对电气设备和线路进行短路、过载和失压等各种保护,由熔断器、热继电器、失压线圈、整流组件和稳压组件等保护组件组成。

(3)信号回路。能及时反映或显示设备和线路正常与非正常工作状态信息的回路,如不同颜色的信号灯,不同声响的音响设备等。

(4)自动与手动回路。电气设备为了提高工作效率,一般都设有自动环节,但在安装、调试及紧急事故的处理中,控制线路中还需要设置手动环节,通过组合开关或转换开关等实现自动与手动方式的转换。

(5)制动停车回路。切断电路的供电电源,并采取某些制动措施,使电动机迅速停车的控制环节,如能耗制动、电源反接制动,倒拉反接制动和再生发电制动等。

(6)自锁及闭锁回路。启动按钮松开后,线路保持通电,电气设备能继续工作的电气环节叫自锁环节,如接触器的动合触点串联在线圈电路中。两台或两台以上的电气装置和组件,为了保证设备运行的安全与可靠,只能一台通电启动,另一台不能通电启动的保护环节,叫闭锁环节。如:两个接触器的动断触点分别串联在对方线圈电路中。

 

什么是电气互锁?自锁?

电气互锁

电气控制中互锁主要是为保证电器安全运行而设置的。它主要是由两电气件互相控制而形成互锁的。它实现的手段主要有三个,一个是电气互锁。二是机械互锁,三是电气机械联动互锁。

 

▲互锁

电气互锁:将这两个继电器的常闭触电接入另一个继电器的线圈控制回路里。这样,一个继电器的电动作,另一个继电器线圈上就不可能形成闭合回路。但也可以用机械联杆实现这一动作。

三是电气机械联动互锁。如高压柜内的仃电,不断开开关,隔离开关就拉不开,上述都拉不开就合不上接地刀闸,拉不接地开刀闸,就打不开高压柜门,就不能进行开关的检查等到工作。

电气互锁就是通过继电器、接触器的触点实现互锁,比如电动机正转时,正转接触器的触点切断反转按钮和反转接触器的电气通路。机械互锁就是通过机械部件实现互锁,比如两个开关不能同时合上,可以通过机械杠杆,使得一个开关合上时,另一个开关被机械卡住无法合上。

电气互锁比较容易实现、灵活简单,互锁的两个装置可在不同位置安装,但可靠性较差。机械互锁可靠性高,但比较复杂,有时甚至无法实现。通常互锁的两个装置要在近邻位置安装。

 

常用电源恢复供电后可以自动切换到常用电源(当然也可以不切换),电气实现这种功能称为电气互锁,也可以叫电气联锁的。有很多地方需要电机的正转和反转运行,比如大门的开启和关闭就是电动机的下转和反转控制的,电机的正转和反转是靠对电源的相序进行倒相实现的,正转运行的时候,反转投入运行就会造成相间的短路,烧坏电气设备,这了避免这种情况的发生,在正转的时候将交流接触器的辅助常闭触点串连在电机反转的控制回路中,将反转交流接触器的辅助触点串连在电机下转的控制回路里面,当电机正转的时候用交流接触器的常闭辅助触点切断反转电机的控制回路,使反转无法投入运行。

反转工作的时候用交流接触器的常闭辅助触点切断电机正转的控制回路,使正转的操作不起作用。

电路分为主电路也叫做一次电路(电源的接线)和控制电路也叫做二次电路,二次电路是控制一次主电路的。

交流接触器是一种控制元件,里面有一个控制线圈,可以是AC220V电压也可以是AC380V电压,通电后可以使之闭合,接通一次主电路,使电机工作。控制线圈的的通断的线路为控制控制线路。

电气元件在不通电的时候,闭合的触点称为动断常闭触点,断开的触点称为动合常开触点。主回路的触点可以通过很大的电流,根据电机的大小选择不同大小的交流接触器,辅助触点是接在控制回路里面的,所以电流限制在5A。

 

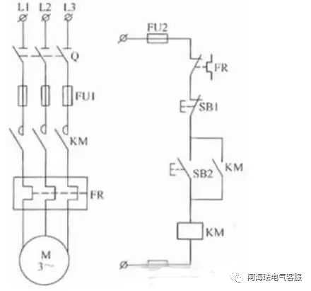
自锁电气控制回路

接触器的特点——接触器一般有6个接线柱,其中3个是常开触点,2个是常闭触点,1个是线圈。当线圈通电时,所有常开触点闭合,所有常闭触点断开。

为了更方便理解,请先看电路图:

 

▲自锁

该图中,左侧为主回路,右侧为二次回路(为了方便看清,我们把主回路和二次回路连接处省略了)。此时我们只看二次回路,SB2为常开按钮,下方KM为接触器线圈,上方KM为接触器常开触点。

若没有接触器的参与,即没有图中所有标有KM的地方,则SB2按下时回路通电,松开则断电(常开按钮特点,启动按钮都使用常开按钮)。因此我们接入了接触器线圈,并且把常开触点和SB2并联。由此就产生了按下SB2时线圈瞬间通电从而闭合常开触点,以保证松开SB2时回路依然有电的效果。

 

最常见的自锁电路

▲最常见电路-自锁电路

 

工作原理

启动

电机启动时,合上电源开关QS,接通整个控制电路电源。

按下启动按钮SB2,其常开点闭合,接触器线圈KM得电可吸合,并接在SB2两端的辅助常开同时闭合,

主回路中:主触头闭合使电动机接入三相交流电源启动旋转。

二次回路中:SB2按下后把电送到KM线圈,KM辅助触点接通后也为KM线圈供电,这样就形成了两路供电。

松开SB2启动按钮时,虽然SB2一路已经断开,但KM线圈仍通过自身的辅助触点这一通路保持给线圈通电,从而确保电机继续运转。

这种依靠接触器自身常开辅助触点而使其线圈保持通电的方式,称为接触器自锁,也叫电气自锁。这对起自锁作用的辅助常开触点称为自锁触点,这段电路称为自锁电路。

 

停止

要使电机停止工作,可按下SB1按钮,接触器KM线圈失电释放,KM主触头和辅助触头均断开,切断电动机主回路与控制回路电源,电动停止工作。

当松开SB1按钮后,SB1常闭触点在复位弹簧的作用下又闭合,虽又恢复到原来的常闭状态,但原来的KM自锁触点早已随着KM线圈断电而断开,接触器已不能再依靠自锁触点通电了。

 

电路保护环节

熔断器FU1、FU2分别为主电路 、控制电路的短路保护。热继电器FR作为电动机的长期过载保护。

 

电气控制系统常用的保护环节

电气控制系统除了能满足生产机械加工工艺要求外,还应保证设备长期、安全、可靠无故障地运行,在系统发生各种故障或不正常工作的情况下对供电设备和电动机实行保护。因此保护环节是所有电气控制系统不可缺少的组成部分,利用它来保护电动机、电网、电气设备以及人身安全等。

 

1.短路保护

电动机、电器以及导线的绝缘损坏或线路发生故障时,都可能造成短路事故。很大的短路电流和电动力可能使电器设备损坏。因此要求一旦发生短路故障时,控制线路能迅速切除电源。常用的短路保护元件有熔断器和低压断路器,电动机短路保护的元件可按下述要求装设:

 1)在中性点直接接地的系统中,应在每相上装设。

 2)在中性点不接地的系统中,以熔断器作保护时,应在每相上装设;用低压断路器作保护时,应在不少于两相上装设。

 

2.过载保护

电动机长期超载运行,绕组温升将超过其允许值,造成绝缘材料老化,寿命减小,严重时会使电动机损坏,过载电流越大,达到允许温升的时间就越短。常用的过载保护元件是热继电器,对大功率的重要电动机,应采用反时限性的过电流继电器。

由于热惯性的原因,热继电器不会受电动机短时过载冲击电流或短路电流的影响而瞬时动作,所以在使用热继电器作过载保护时,还必须设有短路保护,并且选作短路保护的熔断器熔体的额定电流不应超过4倍热继电器发热元件的额定电流。由于过载保护特性与过电流保护特性不同,故不能用过电流保护方式来进行过载保护。

 

3.过电流保护

过电流保护广泛用于直流电动机或绕线式异步电动机。对于三相笼型异步电动机,由于其短时过电流不会产生严重后果,故可不设置过电流保护。

过电流保护往往是由于不正确的启动和过大的负载引起的,一般比短路电流要小,在电动机运行中产生过电流比发生短路的可能性更大,尤其是在频繁正反转启动的重复短时工作制电动机中更是如此。

必须强调指出,短路、过电流、过载保护虽然都是电流保护,但由于故障电流、动作值以及保护特性、保护要求以及使用元件的不同,它们之间是不能相互取代的。

 

4.失电压保护

电动机正常工作时,如果电源电压因某种原因消失,那么在电源电压恢复时,如果电动机自行启动,将可能使生产设备损坏,也可能造成人身事故。此外,对供电系统的电网,同时有许多电动机及其他用电设备自行启动也会引起不允许的过电流及瞬间网络电压下降。为防止电压恢复时电动机自行启动或电气元件自行投入工作而设置的保护称为失电压保护。

采用接触器和按钮控制的启动、停止控制环节就具有失电压保护功能。因为当电源电压消失时,接触器会自动释放而切断电动机电源;电源电压恢复时,由于接触器自锁触点已断开,不会自行启动。如果用不能复位的手动开关、主令控制器来控制接触器,必须采用专门的零电压继电器。工作过程中一旦失电压,零电压继电器就释放,其自锁电路断开,电源电压恢复时,不会自行启动。

 

5.欠电压保护

当电动机正常运行时,电源电压过分地降低将引起一些电器释放,造成控制线路工作不正常,甚至产生事故。当电网电压过低时,如果电动机负载不变,则会造成电动机电流增大,引起电动机发热,严重时甚至烧坏电动机。

此外,电源电压过低还会引起电动机转速下降,甚至停转。因此,在电源电压降到允许值以下时,需要采用保护措施,及时切断电源,这就是欠电压保护。通常是采用欠电压继电器来实现。

 

电气控制系统设计的要求和步骤

01设计目的

电气设计的主要目的是通过某一生产设备的电气控制装置的设计实践,了解一般电气控制系统设计过程、设计要求、应完成的工作内容和具体设计方法。通过设计也有助于复习、巩固以往所学的知识,达到灵活应用的目的。电气设计必须满足生产设备和生产工艺的要求,因此,设计之前必须了解设备的用途、结构、操作要求和工艺过程,在此过程中培养从事设计工作的整体观念。

电气设计应强调能力培养为主,在独立完成设计任务的同时,还要注意其他几方面能力的培养与提高,如独立工作能力与创造力;综合运用专业及基础知识的能力,解决实际工程技术问题的能力;查阅图书资料、产品手册和各种工具书的能力;工程绘图的能力;书写技术报告和编制技术资料的能力。

 

02设计要求

为保证顺利完成设计任务还应做到以下几点:

(1)在接受设计任务后,应根据设计要求和应完成的设计内容,拟定设计任务书和工作进度计划,确定各阶段应完成的工作量,妥善安排时间。

(2)在方案确定过程中应主动提出问题,以取得指导教师的帮助,同时要广泛讨论意见,依据充分。在具体设计过程中要多思考,尤其是主要参数,要经过计算论证。

(3)所有电气图纸的绘制必须符合国家有关规定的标准,包括线条、图型符号、项目代号、回路标号、技术要求、标题栏、元件明细表以及图纸的折叠和装订。

(4)说明书要求文字通顺、简练,字迹端正、整洁。

(5)应在规定的时间内完成所有的设计任务。

(6)如果条件允许,应对自已的设计线路进行试验论证,考虑进一步改进的可能性。

 

03设计任务

课程设计要求是以设计任务书的形式表达,设计任务书应包括以下内容:

(1)设备的名称、用途、基本结构、动作原理以及工艺过程的简要介绍。

(2)拖动方式、运动部件的动作顺序、各动作要求和控制要求。

(3)联锁、保护要求。

(4)照明、指示、报警等辅助要求。

(5)应绘制的图样。

(6)说明书要求。

 

原理设计的中心任务是绘制电气原理图和选用电器元件。工艺设计的目的是为了得到电气设备制造过程中需要的施工图样。图样的类型、数量较多,设计中主要以电气设备总体配置图、电器板元件布置图、接线图、控制面板布置图、接线图、电气箱以及主要加工零件(电器安装底板、控制面板等)为练习对象。对于每位设计者只需完成其中一部分。原理圈及工艺图样均应按要求绘制,元件布置图应标注总体尺寸、安装尺寸和相对位置尺寸。接线图的编号应与原理图一致,要标注组件所有进出线编号、配线规格、进出线的连接方式(采用端子板或接插板)。

-END-

暂无数据

暂无数据